
Within the context of Immersive Engineering, a compact, transportable power source offers players a crucial means of generating electricity in remote locations or during early-game progression. This independent energy solution can be... Read more »

High-quality, transportable power sources offer a reliable solution for electricity needs beyond the reach of traditional outlets. These devices, ranging in size and power output, typically utilize gasoline or propane for fuel... Read more »

A power source of this capacity typically supplies electricity for larger residences, construction sites, small businesses, or outdoor events. It offers a substantial output capable of running multiple power-hungry devices simultaneously, including... Read more »

A transfer switch isolates a building’s electrical system from the utility grid and connects it to a backup power source, such as a portable generator. The “manual” designation signifies that the changeover... Read more »

This specific model designation likely refers to a gasoline-powered electricity generator designed for portability. Such units typically offer a balance of power output and manageable weight, allowing users to transport them to... Read more »

A mobile power source, consisting of an engine-driven electrical generator mounted on a towable frame, provides electricity in locations lacking a readily available power grid. This setup allows convenient transportation of a... Read more »

These small components, typically made of carbon or a carbon composite, facilitate the flow of electrical current between the stationary stator and the rotating rotor of a generator. They are essential for... Read more »

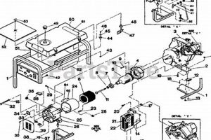
Components designed for the maintenance and restoration of portable power generation units encompass a wide range of items, from spark plugs and air filters to more complex elements like carburetors and voltage... Read more »

A document outlining the relationship between generator power output (typically measured in watts) and the electrical demands of various appliances and tools allows consumers to select a generator appropriate for their needs.... Read more »

Compact, fuel-powered electricity sources designed for mobility, these devices provide temporary power for various applications. A typical unit might feature a gasoline engine driving an alternator, enclosed in a steel frame with... Read more »